 
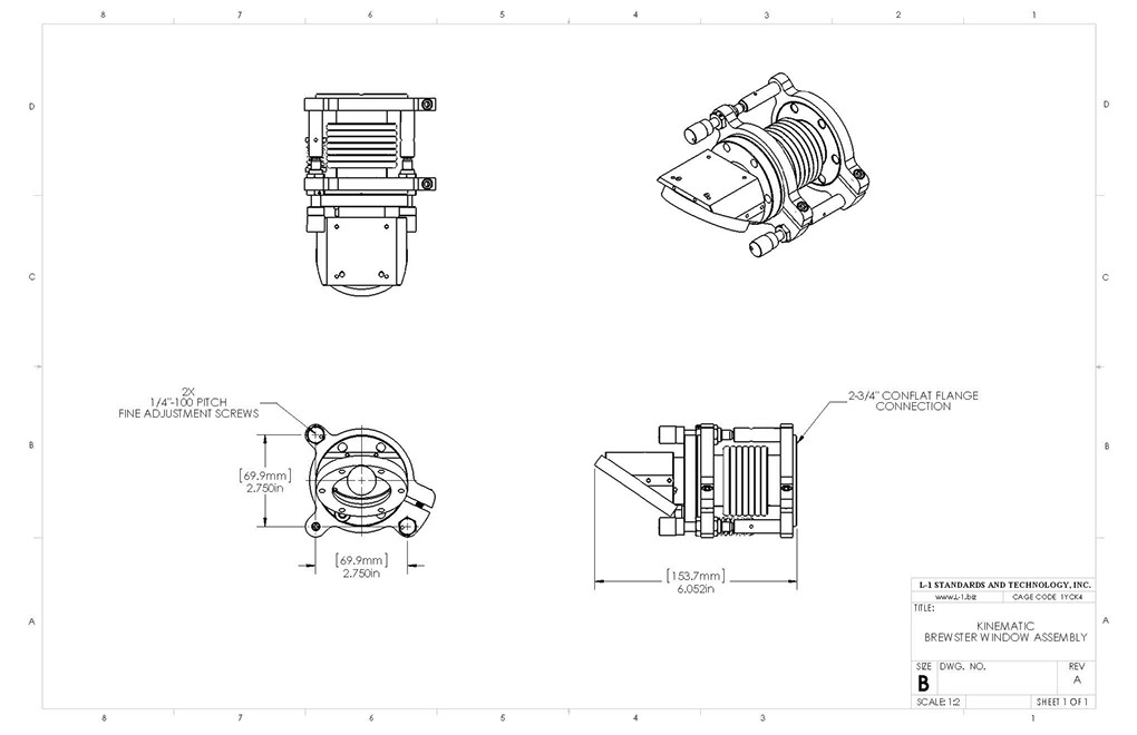
       L-1 Brewster Window attachment for the CryoRad cryogenic radiometer is a useful tool for ensuring accurate measurements and calibrations. The L-1 Brewster Window assembly includes an uncoated 1½" diameter, ¼" thick UV Fused Silica window that attaches to the mount via a black anodized frame. Two o-rings on either side of the window ensure the window does not leak while the assembly is under vacuum.
 
    © 2017 L-1 Standards and Technology, Inc.
Corporate Information